Skip to content

REA 7 BLBK 10X6/7P MB

The REA7 BLKB 10X6/7P MB is a Lighting control module (LCM) with a 10 way luminaire connection centre with 2 separate ways for connecting Reacta 7 sensors. Luminaires are connected using 6 pole blue/black locking connection leads whilst the sensors are connected using 7 pole black/black locking connection leads.

6 Pole pre-wired luminaire leads, 7 Pole sensor connecting leads and 6 or 7 pole male plugs are available separately.

REA 7 BLBK 10X6/7P MB

Introduction

The REA7 BLKB 10X6/7P MB is a Lighting control module (LCM) with a 10 way luminaire connection centre with 2 separate ways for connecting Reacta 7 sensors. Luminaires are connected using 6 pole blue/black locking connection leads whilst the sensors are connected using 7 pole black/black locking connection leads.

6 Pole pre-wired luminaire leads, 7 Pole sensor connecting leads and 6 or 7 pole male plugs are available separately.

Features & Benefits

  • Supply Power Source: 230V
  • IP Rating: IP20
  • Nominal voltage: 230V 50Hz
  • Recommended circuit protection: 10Amp
  • Maximum load per socket outlet: 6Amps
  • Maximum total LCM load: 10Amps
  • Supply terminal capacity: 4.0mm² (2 x 1.5mm2)
  • Case material: Polycarbonate UL94 VO
  • Case finish: Lightly sparked
  • 10 x Luminaire sockets blue/black female connectors with locking rails
  • 2 x Sensor sockets blue/black female connectors with locking rails

Product Images

Diagrams

REA 7 BLBK 10X6/7P MB

REA 7 BLBK 10X6/7P MB

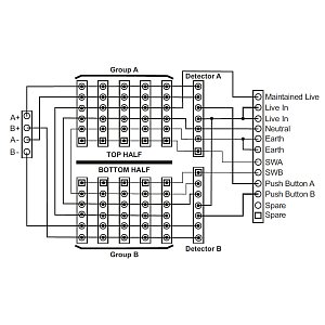
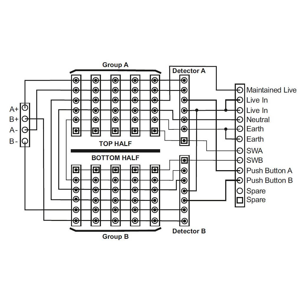
REA 7 BLBK 6 7P MB wiring diagram

REA 7 BLBK 6 7P MB wiring diagram

Ordering

Code Description
REA 7 BLBK 10X6/7P MB

Lighting Control Module (LCM), 10 Blue/Black Luminaire Sockets, 2 Blue/Black Sensor Sockets

Find out more about
REA 7 BLBK 10X6/7P MB

For Sales and Technical Enquires call 01747 858100

Submit enquiry